Katalogs
- piekare
- spēka pārvads
- eļļas/tehniskie šķidrumi
- filtri
- siksnas, ruļļi
- dzinēji
- dzesēšanas un apsildes sistēma
- degvielas sistēmas
- izplūdes sistēmas
- aksesuāri/autoķīmija
- virsbūve
- bremzes
- elektrība
- riepas/diski/skrūves/uzgriežņi
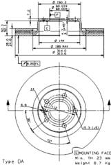
| Pievilkšanas moments | 120 |
|---|---|
| Apstrāde | daudzoglekļa |
| artikula numuram | 09.9540.11 |
| Centrējošais ∅ | 68 |
| ∅ | 314 |
| Urbumu skaits | 5 |
| Minimālais biezums | 23 |
| Virsma | pārklāts |
| Bremžu diska tips | Ar iekšējo ventilāciju |
| Papildus artikuls/Papildus inform. 2 | ar skrūvēm |
| Augstums | 59,4 |
| Bremžu diska biezums | 25 |