Katalogs
- piekare
- spēka pārvads
- eļļas/tehniskie šķidrumi
- filtri
- siksnas, ruļļi
- dzinēji
- dzesēšanas un apsildes sistēma
- degvielas sistēmas
- izplūdes sistēmas
- aksesuāri/autoķīmija
- virsbūve
- bremzes
- elektrība
- riepas/diski/skrūves/uzgriežņi
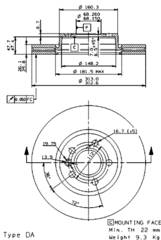
| Pievilkšanas moments | 170 |
|---|---|
| Augstums | 56,3 |
| artikula numuram | 09.9797.10 |
| Apstrāde | daudzoglekļa |
| ∅ | 313 |
| Centrējošais ∅ | 68,2 |
| Minimālais biezums | 22 |
| Urbumu skaits | 5 |
| Bremžu diska biezums | 26 |
| Bremžu diska tips | Ar iekšējo ventilāciju |