Katalogs
- piekare
- spēka pārvads
- eļļas/tehniskie šķidrumi
- filtri
- siksnas, ruļļi
- dzinēji
- dzesēšanas un apsildes sistēma
- degvielas sistēmas
- izplūdes sistēmas
- aksesuāri/autoķīmija
- virsbūve
- bremzes
- elektrība
- riepas/diski/skrūves/uzgriežņi
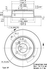
| Papildu artikuls/Papildu info 2 | ar skrūvēm |
|---|---|
| Apstrāde | daudzoglekļa |
| artikula numuram | 08.A737.11 |
| Centrējošais ∅ | 67 |
| ∅ | 278 |
| Urbumu skaits | 5 |
| Minimālais biezums | 7,3 |
| Pievilkšanas moments | 130 |
| Bremžu diska tips | Pilnīgi |
| Virsma | pārklāts |
| Augstums | 57,5 |
| Bremžu diska biezums | 9 |