Šīs detaļas der jebkuram auto, ja vēlies lai parādam tās, kas der Tavam auto tad izvēlies savu auto

Vehicle-warning-bullet
Filtrēt pēc ražotāja:
Tehniskie parametri:
Aprīkojuma variants:
OE-numuram:
Riteņa diska urbumu skaits:
Diska izmērs [collas]:
Zobu skaits:
Uzstādīšanas puse:
Kvalitāte:
ABE (Vācija) atļaujas numurs:
ABE Nr.:
Ražotāja ierobežojums:
Tilta izpildījums:
Biezums:
Pārbaudes vērtība:
Diametrs:
Garums:
Platums:
Augstums:
Masa:
Urbums-æ:
Urbums-Ø:
Urbums-?:
Cauruma diametrs:
nepieciešamais daudzums:
Bremžu diska tips:
Bremþu diska tips:
Bremžu tips:
Bremžu suporta veids:
Trumuļa diametrs:
Bremžu diska biezums:
Vītnes izmērs:
ABS gredzena zobu skaits:
Minimālais biezums:
Maksimālais bremžu trumuļu izvirpošanas izmērs:
Urbumu izvietojums/skaits:
Augstums 1:
Urbumu skaits:
Iekšējā vītne:
Ekspluatācijas atļaujas veids:
Materiāls:
Apstrāde:
Iekšējais diametrs:
Ārējais diametrs:
Centrējošais diametrs:
Kopējais augstums:
artikula numuram:
Pievilkšanas moments:
Montāžas veids:
Skrūvju loks-Ø:
Skrūvju loks-?:
Skrūvju loks-æ:
Daudzums:
Nodiluma devējs:
Papildus artikuls/Papildus informācija:
Virsma:
Bremžu sistēma:
Mērvienība:
Stiprinājuma diametrs:
Dziļums:
Skrūve-Ø:
Riteņa rumbas diametrs:
Platums 1:
Papildus artikuls/Papildus inform. 2:
Papildu artikuls/Papildu info 2:
Rumbas diametrs:
Tehniskās informācijas numurs:
Ārējais diametrs 1:
Urbums-Ø 1:
Caurumu diametrs 1:
Urbums-Ø 2:
Caurumu diametrs 2:
Bremžu trumuļa iekš. diametrs:
Vītnes izmērs 1:
Vītnes izmērs 2:
Iekšējais diametrs 1:
Iekšējais diametrs 2:
Urbumu skaits 1:
Urbumu skaits 2:
Skrūvju loks-? 1:
Skrūvju loks-Ø 1:
Skrūvju loks-æ 1:
Skrūvju loks-? 2:
Rumbas urbums-?:
Rumbas urbums-æ:
Rumbas urbums-Ø:
Rumbas urbums-? 1:
Rumbas urbums-? 2:
Rumbas diametrs 1:
Rumbas diametrs 2:
Specifikācija:
Stiprināšanas urbumu skaits:
Attālums starp stiprināšanas urbumiem:
Stiprības robeža:
Biezums 1:
izpilda ECE-normas:
no modeļa gada:
līdz modeļa gadam:
Ass rēdzes diametrs:
Stiprināšanas punktu diametrs:
Riteņu tapskrūvju urbums-Ø:
Riteņu tapskrūvju urbums-æ:
Riteņa skrūves urbuma diametrs:
SVHC:
pāra artikulu numuri:
Iepakojuma garums:
Iepakojuma platums:
Iepakojuma augstums:
Urbuma diametrs līdz:

bremžu diski

0 Zvaniet EUR 0,00
Bremžu disks DF1013 Bremžu diski | TRW | DF1013 ∅: 238 mm, Vītnes izmērs: 12,6 , Virsma: lakots , Centrējošais ∅: 61 mm, Bremžu diska tips: Pilnīgi , Skrūvju loks-æ: 100 mm, Bremžu diska biezums: 12 mm, Minimālais biezums: 10,5 mm, Urbumu skaits: 4 , Krāsa: melns , Augstums: 41 mm
Ražotājs TRW
Kods 541-DF1013-TRW
Apraksts Bremžu disks DF1013
0 Zvaniet EUR 0,00
bremžu disks 08.5334.75 Bremžu diski | BREMBO | 08.5334.75 Bremžu diska biezums: 8 mm, Minimālais biezums: 6 mm, Pievilkšanas moments: 85 Nm, Virsma: pārklāts , artikula numuram: 08.5334.75 , Bremžu diska tips: Pilnīgi , ∅: 247 mm, Papildus artikuls/Papildus inform. 2: ar skrūvēm , Centrējošais ∅: 71 mm, Augstums: 25,3 mm, Pievilkšanas moments: 9 Nm, Urbumu skaits: 4
Ražotājs Brembo
Kods 541-08.5334.75-BMB
Apraksts bremžu disks 08.5334.75
0 Zvaniet EUR 0,00
bremžu disks 09.4987.76 Bremžu diski | BREMBO | 09.4987.76 Bremžu diska biezums: 20,5 mm, Minimālais biezums: 18,6 mm, Pievilkšanas moments: 90 Nm, Virsma: pārklāts , artikula numuram: 09.4987.76 , Bremžu diska tips: Ar iekšējo ventilāciju , ∅: 266 mm, Papildus artikuls/Papildus inform. 2: ar skrūvēm , Centrējošais ∅: 66 mm, Augstums: 27,4 mm, Pievilkšanas moments: 9 Nm, Urbumu skaits: 4
Ražotājs Brembo
Kods 541-09.4987.76-BMB
Apraksts bremžu disks 09.4987.76
0 Zvaniet EUR 0,00
Br.disks ADM54336 DF29246P Bremžu diski | BLUE PRINT | ADM54336 Uzstādīšanas puse: Priekšējais tilts , Minimālais biezums: 20 mm, Biezums: 45 mm, Ārējais ∅: 255 mm, Urbumu skaits: 4 , Bremžu diska tips: ventilējams , Biezums: 22 mm, Kopējais augstums: 45 mm, Bremžu diska biezums: 22 mm, Masa: 5,3 kg, nepieciešamais daudzums: 1
Ražotājs Blue print
Kods 541-DI-349-BLU
Apraksts Br.disks ADM54336 DF29246P
0 Zvaniet EUR 0,00
Bremžu disks C4I001ABE Bremžu diski | ABE | C4I001ABE Bremžu diska tips: Pilnīgi , Augstums: 62,7 mm, Centrējošais ∅: 70 mm, Urbumu skaits: 5 , Biezums: 12,6 mm, ∅: 304 mm, Bremžu diska biezums: 12,6 mm, Minimālais biezums: 11,7 mm
Ražotājs ABE
Kods 541-C4I001-ABE
Apraksts Bremžu disks C4I001ABE
0 Zvaniet EUR 0,00
Bremžu diski 23-0169 Bremžu diski | METELLI | 23-0169 Bremžu diska biezums: 20 mm, Urbumu skaits: 4 , Minimālais biezums: 18 mm, ∅: 239,7 mm, Bremžu diska tips: ventilējams , Augstums: 42,9 mm, Skrūvju loks-æ: 63,6 mm
Ražotājs METELLI
Kods 541-250.1328.00-MET
Apraksts Bremžu diski 23-0169
0 Zvaniet EUR 0,00
bremžu disks DDF1306 Bremžu diski | FERODO | DDF1306 Uzstādīšanas puse: Aizmugurējais tilts , Masa: 9,8 kg, Augstums: 49 mm, Minimālais biezums: 10 mm, Bremžu diska tips: Pilnīgi , ∅: 286 mm, Centrējošais ∅: 65 mm, Urbumu skaits: 5 , Bremžu diska biezums: 12 mm
Ražotājs Ferodo
Kods 541-100.3315.20-FER
Apraksts bremžu disks DDF1306
0 Zvaniet EUR 0,00
bremžu disks 16332 Bremžu diski | A.B.S. | 16332 Augstums: 76 mm, Bremžu diska biezums: 22.0 mm, Masa: 7,9 kg, Rumbas ∅ 1: 79 mm, Bremžu diska tips: ventilējams , ∅: 296 mm, Riteņa diska urbumu skaits: 5 caurums, Bremžu diska biezums: 22 mm, Minimālais biezums: 20,4 mm
Ražotājs A.B.S.
Kods 541-150.1284.20-ABS
Apraksts bremžu disks 16332
0 Zvaniet EUR 0,00
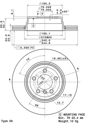
BREMŽU DISKI  25167 Bremžu diski | AP | 25167 Bremžu diska tips: Ar iekšējo ventilāciju , Centrējošais ∅: 79 mm, Papildus artikuls/Papildus inform. 2: ar skrūvēm , Minimālais biezums: 22,4 mm, artikula numuram: 09.A712.10 , Urbumu skaits: 5 , ∅: 345 mm, Bremžu diska biezums: 24 mm, Apstrāde: daudzoglekļa , Pievilkšanas moments: 140 Nm, Augstums: 74 mm
Ražotājs AP
Kods 541-150.3438.20-AP
Apraksts BREMŽU DISKI 25167
0 Zvaniet EUR 0,00
Small bremžu disks 3438 DDF1936 | 541-3438-BMB
Ražotājs Brembo
Kods 541-3438-BMB
Apraksts bremžu disks 3438 DDF1936
0 Zvaniet EUR 0,00
Small Bremžu diski | AP | 541-400.1406.00-AP Uzstādīšanas puse: Priekšējais tilts , Bremžu diska tips: Pilnīgi , Augstums: 43,5 mm, Urbumu skaits: 5 , Bremžu diska biezums: 12 mm, ∅: 284 mm, Minimālais biezums: 10 mm, Centrējošais ∅: 67 mm, Pārbaudes vērtība: K.B.A.: 61210 , Masa: 5,1 kg
Ražotājs AP
Kods 541-400.1406.00-AP
Apraksts BREMŽU DISKI 10278
0 Zvaniet EUR 0,00
BR.DISKI DF4185 Bremžu diski | TRW | DF4185 Minimālais biezums: 7 mm, Bremžu diska biezums: 9 mm, Skrūvju loks-æ: 108 mm, Urbumu skaits: 4 , Bremžu diska tips: Pilnīgi , ∅: 247 mm, Centrējošais ∅: 71 mm, Vītnes izmērs: 13 , Augstums: 35 mm
Ražotājs TRW
Kods DF4185
Apraksts BR.DISKI DF4185